过渡接头

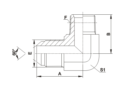
1ST9-SP90° 日本英管外螺纹60° 内锥 / 英锥管外螺纹
1ST9-SP 90° 日本英管外螺纹60° 内锥 / 英锥管外螺纹
| 代号 | 螺纹 | 尺寸 | |||
|---|---|---|---|---|---|
| E | F | A | B | S1 | |
| 1ST9-02SP | G1/8"X28 | R1/8"X28 | 21.8 | 21 | 11 |
| 1ST9-02-04SP | G1/8"X28 | R1/4"X19 | 24.3 | 25.5 | 14 |
| 1ST9-04SP | G1/4"X19 | R1/4"X19 | 29 | 25.5 | 14 |
| 1ST9-04-02SP | G1/4"X19 | R1/8"X28 | 29 | 23.5 | 14 |
| 1ST9-04-06SP | G1/4"X19 | R3/8"X19 | 30 | 28.5 | 16 |
| 1ST9-06SP | G3/8"X19 | R3/8"X19 | 31.5 | 28.5 | 16 |
| 1ST9-06-04SP | G3/8"X19 | R1/4"x19 | 31.5 | 26.5 | 16 |
| 1ST9-06-08SP | G3/8"X19 | R1/2"X14 | 36 | 36 | 22 |
| 1ST9-08SP | G1/2"X14 | R1/2"X14 | 38 | 36 | 22 |
| 1ST9-08-06SP | G1/2"X14 | R3/8"X19 | 38 | 32.5 | 22 |
| 1ST9-08-12SP | G1/2"X14 | R3/4"X14 | 41 | 43.5 | 27 |
| 1ST9-12SP | G3/4"X14 | R3/4"X14 | 43 | 43.5 | 27 |
| 1ST9-12-08SP | G3/4"X14 | R1/2"X14 | 43 | 39.5 | 27 |
| 1ST9-12-16SP | G3/4"X14 | R1"X11 | 47 | 50 | 33 |
| 1ST9-16SP | G1"X11 | R1"X11 | 48.5 | 50 | 33 |
| 1ST9-20SP | G1.1/4"X11 | R1.1/14"X11 | 57 | 56.5 | 41 |
| 1ST9-24SP | G1.1/2"X11 | R1.1/2"X11 | 61 | 62.5 | 48 |
| 1ST9-32SP | G2"X11 | R2"X11 | 73.2 | 74.2 | 63 |







