过渡接头

7N9-PK90° 弯美制布锥管内螺纹
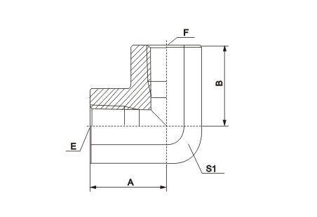
7N9-PK 90° 弯美制布锥管内螺纹
| 代号 | 螺纹 | 尺寸 | |||
|---|---|---|---|---|---|
| E | F | A | B | S1 | |
| 7N9-02PK | Z1/8"X27 | Z1/8"X27 | 20 | 20 | 16 |
| 7N9-02-04PK | Z1/8"X27 | Z1/4"X18 | 20 | 22.5 | 19 |
| 7N9-04PK | Z1/4"X18 | Z1/4"X18 | 22.5 | 22.5 | 19 |
| 7N9-04-06PK | Z1/4"X18 | Z3/8"X18 | 25 | 26 | 24 |
| 7N9-06PK | Z3/8"X18 | Z3/8"X18 | 26 | 26 | 24 |
| 7N9-06-08PK | Z3/8"X18 | Z1/2"X14 | 26 | 31 | 27 |
| 7N9-08PK | Z1/2"X14 | Z1/2"X14 | 31 | 31 | 27 |
| 7N9-08-12PK | Z1/2"X14 | Z3/4"X14 | 34 | 34 | 33 |
| 7N9-12PK | Z3/4"X14 | Z3/4"X14 | 34 | 34 | 33 |
| 7N9-12-16PK | Z3/4"X14 | Z1"X11.5 | 42 | 42 | 41 |
| 7N9-16PK | Z1"X11.5 | Z1"X11.5 | 42 | 42 | 41 |
| 7N9-20PK | Z1.1/4"X11.5 | Z1.1/4"X11.5 | 48 | 48 | 50 |
| 7N9-24PK | Z1.1/2"X11.5 | Z1.1/2"X11.5 | 53 | 53 | 60 |
| 7N9-32PK | Z2"X11.5 | Z2"X11.5 | 62 | 62 | 70 |







