过渡接头

1N990° 弯美制布锥管外螺纹

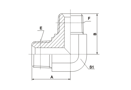
1N9 90° 弯美制布锥管外螺纹

代号 | 螺纹 | 尺寸 | |||
---|---|---|---|---|---|
E | F | A | B | S1 | |
1N9-02 | Z1/8"X27 | Z1/8"X27 | 23.5 | 25.5 | 14 |
1N9-02-04 | Z1/8"X27 | Z1/4"X18 | 23.5 | 25.5 | 14 |
1N9-04 | Z1/4"X18 | Z1/4"X18 | 25.5 | 25.5 | 14 |
1N9-04-06 | Z1/4"X18 | Z3/8"X18 | 28 | 31 | 19 |
1N9-04-08 | Z1/4"X18 | Z1/2"X14 | 30.5 | 36.5 | 22 |
1N9-06 | Z3/8"X18 | Z3/8"X18 | 31 | 31 | 19 |
1N9-06-08 | Z3/8"X18 | Z1/2"X14 | 33.8 | 37.3 | 22 |
1N9-08 | Z1/2"X14 | Z1/2"X14 | 37.3 | 37.3 | 22 |
1N9-08-12 | Z1/2"X14 | Z3/4"X14 | 40 | 44 | 27 |
1N9-12 | Z3/4"X14 | Z3/4"X14 | 44 | 44 | 27 |
1N9-12-16 | Z3/4"X14 | Z1"X11.5 | 46.5 | 50 | 33 |
1N9-16 | Z1"X11.5 | Z1"X11.5 | 50 | 50 | 33 |
1N9-20 | Z1.1/4"X11.5 | Z1.1/4"X11.5 | 54 | 54 | 41 |
1N9-24 | Z1.1/2"X11.5 | Z1.1/2"X11.5 | 63 | 63 | 48 |
1N9-32 | Z2"X11.5 | Z2"X11.5 | 68 | 68 | 63 |